21210-1802021-86 Tesnenie prídavnej prevodovky sada
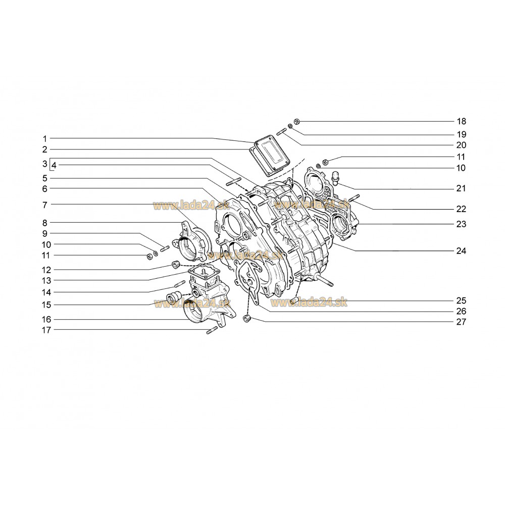
21210-1802235-03 (2121-1802235) Tesnenie príruby pohonu prednej nápravy (26)
21210-1802021-03 (2121-1802021) Tesnenie skrine prídavnej prevodovky (5)
21214-3802830-03 (2121-3802830) Tesnenie príruby náhonu tachometra (5)
21213-1802017-00 (2121-1802017) Tesnenie krytu skrine prídavnej prevodovky (2)
21210-1802029-13 (2121-1802029) Tesnenie príruby predného ložiska hnacieho hriadeľa (7)
21210-1802237-03 (2121-1802237) Tesnenie krytu príruby pohonu prednej nápravy (13)
21210-1802081-03 (2121-1802081) Tesnenie zadného krytu prídavnej prevodovky (24)
LADA 2121 NIVA, LADA 4x4, NIVA Legend (3)
LADA NIVA Travel (7)
CHEVROLET NIVA (7)





